BLANCO TORRE

BLANCO TORRE
thumbnail
thumbnail
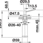
TOOTETÜÜPSeebidosaator
LISAINFORoostevabast terasest seebidosaator (täiskaal). Kinnitusava Ø 35 mm. Paagi maht: 300 ml.
VÕTA ÜHENDUST
Sink image